S64DB-12-135
  • S64DB-12-135 S64DB-12-135

S64DB-12-135

Үлгі:S64DB-12-135

HCIC S64DB-12-135 гидравликалық цилиндрлер: Премиум, жаһандық өнеркәсіптік сатып алушылар үшін теңшелетін опциялар. Сенімді сипаттамалар, тұрақты өнімділік, зауыттан тікелей мәмілелер - құрылыс, тау-кен және ауыл шаруашылығы сатып алулары үшін өте қолайлы.

  • Number Stages:

    4
  • Nominal Stage OD:

    6
  • Stroke:

    135
  • Closed:

    47.19
  • Open:

    182.19
  • Pin:

    1.75
  • Width:

    8

Сұрау жіберу

Өнім Сипаттамасы

Өнеркәсіптік жабдықты сатып алушылар үшін. Бұл HCIC S64DB-12-135 цилиндрі туралы ақпарат. Негізгі сипаттамалар, құрастыру сапасы, қайда пайдалану керек, реттелетін қызметтер. Барлығы практикалық. Төбе жоқ.


customizable hydraulic cylinders


parker multi-stage hydraulic cylinders


I. Негізгі сипаттамалар: Орнату тапсырмаларының көпшілігіне сәйкес келеді


HCIC S64DB-12-135 = стандартты дизайн. Көптеген өнеркәсіптік машиналар үшін жұмыс істейді. Қуатты беру, орнату — еш қиындықсыз.


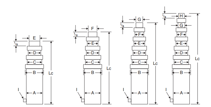
• Құрылымдық өлшемдер:Сыртқы диаметрі 6. 4 кезең. Инсульт 135. Жабық ұзындығы 47,19. Ұзартылған ұзындығы 182.19. Ықшам. Стандартты машинаны орнату слоттарына сәйкес келеді.

• Орнату үйлесімділігі:Істік өлшемдері 1,75 / 1,5. Ені 8 / 2,69 сәйкес келеді. Дәнекерлеу, топса - екеуі де жұмыс істейді. Көптеген машиналар нөлдік режимдерді қажет етеді.

• Негізгі өнімділік:Стандартты өнеркәсіптік пломба. Тұрақты жағдайда тоқтаусыз жұмыс істейді. Жалпы гидравликалық қысым стандарттарына сәйкес келеді.


heavy-duty hydraulic cylinders


II. Құрылыс сапасы: сенімді, бұзылулар жоқ


Біз әр қадамды тексереміз. Шикізаттан бастап жөнелтуге дейін. Таңбашалар жоқ. Тек тұрақты сапа.


(1). Шикізат материалдары:Бөшке = 45# жіксіз болат құбыр. Поршеньді штанга = сөндірілген + хромдалған. Тозуға төзімді, тот басуға төзімді. Тұрақты өнеркәсіптік пайдалану үшін жақсы.

(2). Өңдеу және құрастыру:Цилиндрдің ішкі қабырғасы = тегістелген тегіс. Поршень тұрып қалмай қозғалады. Өнеркәсіптік тығыздағыштар = майдың ағуы аз.

(3). Сапаны тексеру:Әрбір цилиндр 3 сынақтан өтеді. Қысым сынағы. Инсульт сынағы. Тығыздау сынағы. Біз барлық сынақ деректерін сақтаймыз. Тек өту = жөнелту.

dump hydraulic cylinder

III. Қолдану сценарийлері: жабдықтың барлық түрлеріне арналған


S64DB цилиндрлері көптеген өнеркәсіптік өрістерге сәйкес келеді. Машиналарға арналған қатты қуатты бөлшектер.


• Құрылыс машиналары:Экскаваторлар, тиегіштер. Жебе мен шелек жетектеріне сәйкес келеді. Тұтқалар көтеру, телескоп, айналдыру. Күнделікті құрылыс жұмыстарына қолайлы.

• Металлургия және тау-кен өнеркәсібі:Пешті реттеу, ұсақтағыштың берілуін бақылау. Қатты ортада жұмыс істейді. Негізгі өріс талаптарына сәйкес келеді.

• Ауыл шаруашылығы машиналары:Сепкіштер, комбайндар. Егу тереңдігін реттейді, үстіңгі тақтайшаларды көтереді. Ауыл шаруашылығын тиімдірек етеді.

• Арнайы жабдық:Параметрлерді өзгерту. Әуе көтергіштерге, қоқыс нығыздауға сәйкес келеді. Негізгі қуат қолдауы — аяқталды.


IV.ЖҚС

HCIC S64DB-12-135 гидравликалық цилиндрі туралы сұрақтарыңызға практикалық жауаптар, оның ішінде техникалық сипаттамалар, үйлесімділік, сапа және теңшеу.

📏 Негізгі сипаттамалар және үйлесімділік

С: HCIC S64DB-12-135 цилиндрі менің стандартты өнеркәсіптік машинама модификациясыз сай бола ма?

A: Мүлдем. HCIC S64DB-12-135 - ықшам құрылымдық өлшемдері (сыртқы диаметрі 6, жабық ұзындығы 47,19, ұзартылған ұзындығы 182,19) және үйлесімді түйреуіш өлшемдері (1,75 / 1,5) және ені (8 / 2,69) бар стандартты жобаланған гидравликалық цилиндр. Ол көптеген стандартты машина орнату слоттарына сәйкес келеді және дәнекерлеу және топса монтаждау жұмысы - көптеген өнеркәсіптік машиналар қуат беру немесе басқа тапсырмалар үшін оны орнату үшін нөлдік режимдерді қажет етеді.

С: HCIC S64DB-12-135 цилиндрінің негізгі құрылымдық және өнімділік сипаттамалары қандай?

A: HCIC S64DB-12-135 құрылғысының 4 сатысы, 135 дюймдік инсульт, жабық ұзындығы 47,19 дюйм және ұзартылған ұзындығы 182,19 дюйм бар. Ол стандартты өнеркәсіптік тығыздағыштарды пайдаланады, тұрақты өндірістік жағдайларда тоқтаусыз жұмыс істейді және гидравликалық қысымның жалпы стандарттарына сәйкес келеді. Оның ықшам дизайны оны көптеген өнеркәсіптік машиналарда тығыз орнату кеңістіктері үшін өте қолайлы етеді.

С: HCIC S64DB-12-135 цилиндрі үшін қандай орнату опциялары бар?

A: Бұл цилиндр екі жалпы өнеркәсіптік орнату әдісін қолдайды: дәнекерлеу және топса. Ол үйлесімді түйреуіш өлшемдерімен (1,75 және 1,5) жеткізіледі және стандартты машина еніне (8 және 2,69) сәйкес келеді, сондықтан оны жабдыққа ең жақсы сәйкес келетін әдіс арқылы орнатуға болады – көптеген машиналар үшін реттелетін орнату адаптерлері қажет емес.

С: HCIC S64DB-12-135 цилиндрі үздіксіз үздіксіз өндірістік пайдалануды орындай ала ма?

A: Иә. Ол стандартты өнеркәсіптік тығыздағыштармен құрастырылған және гидравликалық қысымның жалпы стандарттарына сәйкес келеді, бұл оның тұрақты өндірістік жағдайларда тоқтаусыз жұмыс істеуіне мүмкіндік береді. Цилиндрдің тегістелген ішкі қабырғасы поршеньдің жабыспай қозғалуын қамтамасыз етеді, ал жоғары сапалы материалдар тозуға төзімді – құрылыста, ауылшаруашылық немесе металлургиялық машиналарда күнделікті үздіксіз пайдалану үшін өте қолайлы.

⚙️ Сапа мен қолдану сценарийлерін жасаңыз

С: HCIC S64DB-12-135 цилиндрін жасау үшін қандай материалдар пайдаланылады және ол қаншалықты берік?

A: Цилиндр бөшкесі 45# жіксіз болат құбырдан жасалған, ал поршеньдік штанга сөндіріліп, хромдалған – бұл комбинация тозуға және тот басуға төзімді, тұрақты өнеркәсіптік пайдалануға өте ыңғайлы. Ішкі қабырға поршеньдің жабысып қалмауы үшін тегістелген, ал өнеркәсіптік тығыздағыштар майдың ағып кетуін азайтады – мұның бәрі күтпеген бұзылуларсыз ұзақ және сенімді өнімділікті қосады.

С: HCIC S64DB-12-135 цилиндрі жөнелту алдында қандай сапа сынақтарынан өтеді?

A: Әрбір HCIC S64DB-12-135 цилиндрі біз оны жөнелтпес бұрын 3 қатаң сынақтан өтеді: қысым сынағы (гидравликалық стандарттарға сай болу үшін), инсульт сынағы (бірқалыпты қозғалысты қамтамасыз ету үшін) және тығыздағыш сынағы (майдың ағып кетуін болдырмау үшін). Біз барлық сынақ деректерін болашақта анықтама үшін сақтаймыз және үшеуінен де өтпейтін цилиндрді ешқашан жібермейміз – төте жолдар жоқ, тек тұрақты сапа.

С: HCIC S64DB-12-135 цилиндрі қандай өнеркәсіптік өрістер мен машиналарға жарамды?

A: Бұл цилиндр жан-жақты және көптеген өнеркәсіптік өрістерге сәйкес келеді. Ол құрылыс машиналарына (экскаваторлар, шөміш жетектеріне арналған тиегіштер), металлургиялық және тау-кен жабдықтарына (пештерді реттеу, ұсақтағыштарды беруді басқару), ауылшаруашылық машиналарына (сепкіштер, себу тереңдігін реттеуге арналған комбайндар) және арнайы жабдықтарға (әуе көтергіштері, қоқыс нығыздаушылар) жұмыс істейді - бұл барлық тісті механизмдер үшін қатты қуат бөлігі.

С: HCIC S64DB-12-135 цилиндрі қиын тау-кен немесе металлургиялық ортада жақсы жұмыс істей ала ма?

A: Иә. Сөндірілген және хромдалған поршеньді штанга тот пен тозуға қарсы тұрады, ал 45# жіксіз болаттан жасалған бөшке тау-кен және металлургиялық алаңдардың қатал шарттарына төтеп беруге жеткілікті берік. Ол пешті реттеуге және ұсақтағыштың берілуін басқаруға арналған және ол негізгі өріс талаптарына сәйкес келеді – сізге қажет кезде оның істен шығуы туралы алаңдамайсыз.

🛡️ Теңшеу және ынтымақтастық артықшылықтары

С: HCIC S64DB-12-135 цилиндрін арнайы жабдық қажеттіліктерін қанағаттандыру үшін теңшей аламын ба?

A: Мүлдем. Егер стандартты HCIC S64DB-12-135 құрылғыңызға мүлдем сәйкес келмесе, біз реттелетін гидравликалық шешімдерді ұсынамыз. Біз құрылымды, инсультті, орнату стилін және тығыздағыштарды арнайы қажеттіліктеріңізге қарай реттей аламыз – машинаңыздың ортасын, қуат қажеттіліктерін және орнату кеңістігін растау үшін біздің технологиялық топпен бір-бірден жұмыс істесеңіз болғаны, біз сізге бейімделген шешімді жасаймыз.

С: HCIC S64DB-12-135 цилиндрінің пайдаланушы нұсқасын алу процесі қандай?

A: Теңшелетін процесс қарапайым: 1) Біріншіден, біздің техникалық топ қажеттіліктеріңізді растау және нақты қажеттіліктер құжатын жасау үшін сізбен 1-ден 1 сөйлеседі. 2) Содан кейін біз цилиндрдің сипаттамаларын реттейміз және растау үшін сізге сызбаларды жібереміз. 3) Сіз мақұлдағаннан кейін біз оны шығарамыз (бірінші келген, бірінші қызмет етеді) және оны өзіңіз қалаған әдіспен (жаһандық клиенттер үшін теңіз/әуе жүктері) жеткіземіз. 4) Соңында біз орнату және пайдалану үшін сатылымнан кейінгі қолдауды қамтамасыз етеміз.

С: HCIC S64DB-12-135 цилиндріне тікелей зауыттан тапсырыс бергенде қандай артықшылықтарға ие боламын?

A: Біздің HCIC зауытынан тікелей тапсырыс берудің екі үлкен пайдасы бар: біріншіден, баға пайдасы – делдалдардың болмауы, сондықтан сіз шығындарды үнемдейсіз, ал жаппай тапсырыстар жақсы жеңілдіктерге ие болады. Екіншіден, сыртқы сауданы қолдау – біз көп тілді құжаттармен, кедендік код бойынша кеңестермен қамтамасыз етеміз және декларация құжаттарына көмектесеміз, сондықтан трансшекаралық сатып алу оңай. Біз сондай-ақ стандартты кепілдік пен адам емес зақым үшін тегін жөндеу/бөлшектерді ұсынамыз.




V. Арнайы қызметтер: Цилиндрлерді өз жолыңызбен жасаңыз


Арнайы қажеттіліктер? Бізде қарапайым процесс бар. Сізге арнайы гидравликалық шешімдер.


(1). Әңгімелесу қажет:Біздің техникалық команда 1-ден 1-ге сөйлеседі. Құрылғының ортасын, қуат қажеттіліктерін, орнату кеңістігін растаңыз. Сізге нақты қажет құжатты беріңіз.

(2). Дизайн кезеңі:Құрылымды, инсультты, монтажды, тығыздағыштарды реттеңіз. Сіздің қажеттіліктеріңізге негізделген. Растау үшін сізге сызбаларды жіберіңіз.

(3). Өндіріс және жеткізу:Арнайы тапсырыстар = бірінші келген, бірінші қызмет көрсетіледі. Тұрақты пайдаланушы үлгілері = стандартты жеткізу уақыты. Жаһандық клиенттер үшін теңіз/әуе жүктері.

(4). Сатудан кейінгі қолдау:Стандартты кепілдік. Адамдық емес зақым = тегін жөндеу/бөлшектер. Техникалық сенім телефоны = кез келген уақытта орнату/пайдалану сұрақтарына жауап береді.


double-acting telescopic hydraulic cylinders

VI. Ынтымақтастық артықшылықтары: Жеңіл жаһандық мәмілелер


HCIC = кәсіби гидравликалық цилиндр зауыты. Жаһандық клиенттермен жұмыс істеу жақсы.


• Бағаның пайдасы:Тікелей зауыт. Делдалдар жоқ. Шығындарды үнемдеңіз. Жаппай тапсырыстар = жақсы жеңілдіктер.

• Сыртқы сауданы қолдау:Көп тілді құжаттар. Кедендік код бойынша кеңестер. Декларация құжаттарына көмек. Трансшекаралық сатып алу = тегіс.


VII. Бізбен байланысыңыз:

HCIC кәсіби гидравликалық өндіруші болып табылады, негізінен гидравликалық жүйені жобалау, өндіру, орнату, түрлендіру, іске қосу және гидравликалық компоненттер брендін сату және техникалық қызметтермен айналысады. Біздің өнім сіздің шығындарыңызды үнемдеуге және сапаны жақсартуға көмектеседі деп үміттенеміз.Қосымша ақпарат алу үшін бізге «davidsong@mail.huachen.cc» электрондық поштасын жіберіңіз немесе Google «HCIC hydraulic» іздеу


Hot Tags: S64DB-12-135, Өндірушілер, жеткізушілер, көтерме, теңшелген, қоймада, бас тартылған жүк көлігі, Қытай, қар тазалағыш
X
Біз cookie файлдарын сізге жақсырақ шолу тәжірибесін ұсыну, сайт трафигін талдау және мазмұнды жекелендіру үшін пайдаланамыз. Осы сайтты пайдалану арқылы сіз cookie файлдарын пайдалануымызға келісесіз. Құпиялылық саясаты
Қабылдамау Қабылдау